|
| |
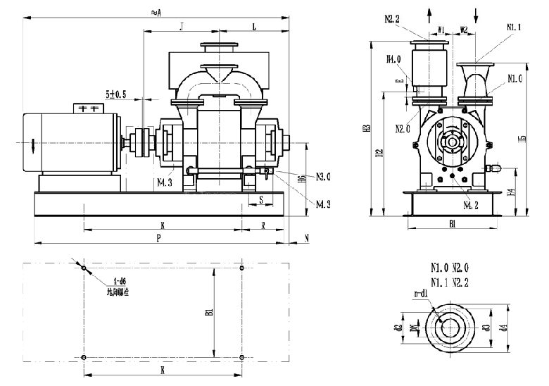
| N1.0进气端法兰 N1.1连通管法兰 N2.0排气端法兰 N2.2分离器法兰 N3.0工作液接口 N4.0分离器排液口 N4.2冲洗、排液口 N4.3泄漏液排放口 |
| 代号 | A | B1 | d6 | E | H2 | H3 | H4 | H5 | H6 | J | K | L | N | P | R | |
| 2BEA 102 | 1260 | 360 | 22 | 37 | 494 | 745 | 174 | 595 | 280 | 377 | 660 | 353 | 133 | 1015 | 176 | |
| 2BEA 103 | 1395 | 360 | 22 | 37 | 494 | 745 | 174 | 595 | 280 | 409.5 | 840 | 395.5 | 92 | 1015 | 211 | |
| 2BEA 151 | 1465 | 400 | 22 | 50 | 587 | 865 | 214 | 720 | 345 | 411.5 | 840 | 388.5 | 100 | 1265 | 211 | |
| 2BEA 152 | 1490 | 400 | 22 | 50 | 587 | 865 | 214 | 720 | 345 | 424 | 840 | 401 | 125 | 1265 | 211 | |
| 2BEA 153 | 1610 | 400 | 22 | 50 | 587 | 865 | 214 | 720 | 345 | 454 | 840 | 431 | 185 | 1265 | 211 | |
| 代号 | S | W1 | W2 | N3.0 | N4.0 | N4.2 | N4.3 | |||||||||
| 2BEA 102 | 145 | 105 | 105 | G3/4" | G2" | G1/2" | G1/4" | |||||||||
| 2BEA 103 | 145 | 105 | 105 | G3/4" | G2" | G1/2" | G1/4" | |||||||||
| 2BEA 151 | 145 | 125 | 125 | G3/4" | G2" | G1/2" | G1/4" | |||||||||
| 2BEA 152 | 145 | 125 | 125 | G3/4" | G2" | G1/2" | G1/4" | |||||||||
| 2BEA 153 | 145 | 125 | 125 | G3/4" | G2" | G1/2" | G1/4" | |||||||||
| 代号 | DN | d1 | d2 | d3 | d4 | n | 代号 | DN | d1 | d2 | d3 | d4 | n | |||
| 2BEA 102 2BEA 103 |
N1.0 N2.0 |
50 | 18 | 102 | 125 | 165 | 4 | 2BEA 151 2BEA 152 2BEA 153 |
N1.0 N2.0 |
65 | 18 | 122 | 145 | 185 | 4 | |
| N1.1 N2.2 |
65 | 18 | 122 | 145 | 185 | 4 | N1.1 N2.2 |
100 | 18 | 158 | 180 | 220 | 8 | |||