![]() | |
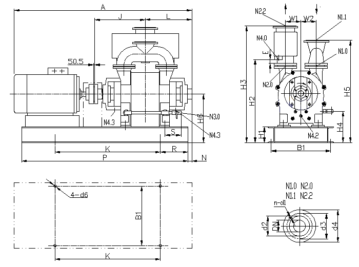
| N1.0进气端法兰 N1.1连通管法兰 N2.0排气端法兰 N2.2分离器法兰 N3.0工作液接口 N4.0分离器排液口 N4.2冲洗、排液口 N4.3泄漏液排放口 |
|
代号 |
A |
B1 |
d6 |
E |
H2 |
H3 |
H4 |
H5 |
H6 |
J |
K |
L |
N |
P |
R | |
|
2BEA 202 |
1785 |
600 |
27 |
37 |
804 |
1160 |
302 |
1015 |
490 |
507 |
1060 |
469 |
36 |
1625 |
280 | |
|
2BEA 203 |
2035 |
600 |
27 |
37 |
804 |
1160 |
302 |
1015 |
490 |
567 |
1060 |
529 |
206 |
1625 |
280 | |
|
2BEA 252 |
2285 |
700 |
27 |
42 |
979 |
1425 |
328 |
1210 |
580 |
630 |
1560 |
595 |
250 |
1800 |
120 | |
|
2BEA 253 |
2655 |
700 |
27 |
42 |
979 |
1425 |
328 |
1210 |
580 |
705 |
1820 |
670 |
250 |
2060 |
120 | |
|
代号 |
S |
W1 |
W2 |
N3.0 |
N4.0 |
N4.2 |
N4.3 |
|||||||||
|
2BEA 202 |
175 |
155 |
155 |
G1" |
G3" |
G3/4" |
G3/4" |
|||||||||
|
2BEA 203 |
175 |
155 |
155 |
G1" |
G3" |
G3/4" |
G3/4" |
|||||||||
|
2BEA 252 |
200 |
215 |
215 |
G11/4" |
G3" |
G1" |
G3/4" |
|||||||||
|
2BEA 253 |
200 |
215 |
215 |
G11/4" |
G3" |
G1" |
G3/4" |
|||||||||
|
代号 |
DN |
d1 |
d2 |
d3 |
d4 |
n |
代号 |
DN |
d1 |
d2 |
d3 |
d4 |
n | |||
|
2BEA 202 |
N1.0 N2.0 |
100 |
18 |
158 |
180 |
220 |
8 |
2BEA 252 |
N1.0 N2.0 |
125 |
18 |
188 |
210 |
250 |
8 | |
|
N1.1 N2.2 |
125 |
18 |
188 |
210 |
250 |
8 |
N1.1 N2.2 |
150 |
22 |
212 |
240 |
285 |
8 | |||
|
2BEA 203 |
N1.0 N2.0 |
100 |
18 |
158 |
180 |
220 |
8 |
2BEA 253 |
N1.0 N2.0 |
125 |
18 |
188 |
210 |
250 |
8 | |
|
N1.1 N2.2 |
125 |
18 |
188 |
210 |
250 |
8 |
N1.1 N2.2 |
150 |
22 |
212 |
240 |
285 |
8 | |||