
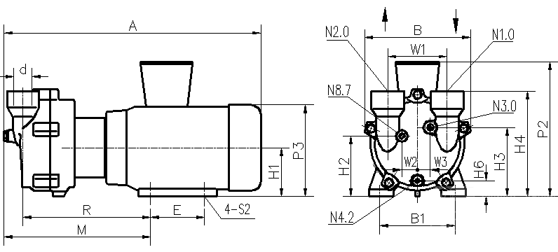
|
N1.0 吸气口 |
N3.0 工作液接口 N4.2 排水口 |
N8.7 汽蚀保护接口 |
| 型号 | A | B | B1 | E | H1 | H2 | H3 | H4 | H6 | M | P2 |
| 2BV2060 | 455 | 186 | 140 | 100 | 90 | 118 | 126 | 195 | 37.5 | 244 | 250 |
| 2BV2061 | 476 | 186 | 140 | 100 | 90 | 118 | 126 | 195 | 37.5 | 263 | 250 |
| 2BV2070 | 545 | 223 | 160 | 140 | 100 | 128 | 146 | 222 | 33 | 280 | 270 |
| 2BV2071 | 566 | 223 | 190 | 140 | 112 | 140 | 158 | 234 | 45 | 309 | 300 |
| 型号 | P3 | R | S2 | W1 | W2 | W3 | d | N3.0 | N4.2 | N8.7 | |
| 2BV2060 | 180 | 217 | φ10 | 110 | 25.5 | 21 | G1" | G3/8" | G1/4" | G3/8" | |
| 2BV2061 | 180 | 236 | φ10 | 110 | 25.5 | 21 | G1" | G3/8" | G1/4" | G3/8" | |
| 2BV2070 | 203 | 252 | φ12 | 110 | 33 | 27 | G11/2" | G3/8" | G1/4" | G3/8" | |
| 2BV2071 | 225 | 278 | φ12 | 110 | 33 | 27 | G11/2" | G3/8" | G1/4" | G3/8" |
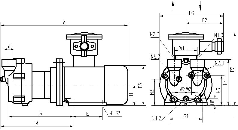
2BV2-Ex水环真空泵外形尺寸
|
N1.0 吸气口 |
N3.0 工作液接口 N4.2 排水口 |
N8.7 汽蚀保护接口 |
| 型号 | A | B1 | B2 | B3 | E | H1 | H2 | H3 | H4 | H6 | M |
| 2BV2060-Ex | 522 | 125 | 180 | 280 | 100 | 80 | 108 | 116 | 185 | 27.5 | 282 |
| 2BV2061-Ex | 555 | 140 | 180 | 280 | 100 | 90 | 118 | 126 | 195 | 37.5 | 301 |
| 2BV2070-Ex | 634 | 160 | 180 | 305 | 140 | 100 | 128 | 146 | 222 | 33 | 317 |
| 2BV2071-Ex | 674 | 190 | 200 | 325 | 140 | 112 | 140 | 158 | 234 | 45 | 344 |
| 型号 | P2 | P3 | R | S2 | W1 | W2 | W3 | d | N3.0 | N4.2 | N8.7 |
| 2BV2060-Ex | 320 | 165 | 255 | φ10 | 110 | 25.5 | 21 | G1" | G3/8" | G1/4" | G3/8" |
| 2BV2061-Ex | 350 | 180 | 274 | φ10 | 110 | 25.5 | 21 | G1" | G3/8" | G1/4" | G3/8" |
| 2BV2070-Ex | 400 | 205 | 289 | φ12 | 110 | 33 | 27 | G11/2" | G3/8" | G1/4" | G3/8" |
| 2BV2071-Ex | 420 | 230 | 313 | φ12 | 110 | 33 | 27 | G11/2" | G3/8" | G1/4" | G3/8" |
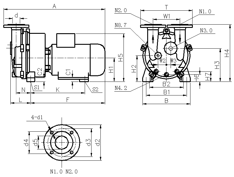
2BV5水环真空泵外形尺寸 
|
N1.0 吸气口 |
N3.0 工作液接口 N4.2 排水口 |
N8.7 汽蚀保护接口 |
| 型号 | A | B | B1 | B2 | C1 | C2 | H1 | H2 | H3 | H4 | H5 |
| 2BV5110 | 637 | 325 | 255 | 190 | 41 | 26 | 140 | 156 | 202 | 361 | 328 |
| 2BV5111 | 679 | 325 | 265 | 216 | 36 | 26 | 150 | 166 | 212 | 371 | 363 |
| 2BV5121 | 771 | 347 | 265 | 216 | 36 | 26 | 150 | 167 | 217 | 385 | 363 |
| 2BV5131 | 852 | 377 | 300 | 254 | 35 | 30 | 175 | 194 | 249 | 427 | 435 |
| 2BV5161 | 1044 | 479 | 370 | 279 | 30 | 30 | 210 | 225 | 303 | 521 | 485 |
| 型号 | H6 | H7 | K | L | F | N | S1 | S2 | T | d1 | d2 |
| 2BV5110 | 38 | 57 | 342 | 130 | 464 | 92 | φ12 | φ12 | 340 | 19 | 160 |
| 2BV5111 | 48 | 68 | 348 | 130 | 500 | 92 | φ12 | φ12 | 340 | 19 | 160 |
| 2BV5121 | 39 | 60 | 430 | 147 | 584 | 97 | φ12 | φ12 | 381.5 | 19 | 182 |
| 2BV5131 | 53 | 76 | 477.5 | 147 | 658.5 | 103 | φ15 | φ15 | 381.5 | 19 | 182 |
| 2BV5161 | 51 | 80 | 565 | 201 | 808 | 138 | φ15 | φ15 | 450 | 22 | 200 |
| 型号 | d3 | d4 | d5 | W1 | W2 | W3 | d | N3.0 | N4.2 | N8.7 | |
| 2BV5110 | 123 | 97 | 52 | 180 | 52 | 27 | DN50 | G3/4" | G3/8" | G3/8" | |
| 2BV5111 | 123 | 97 | 52 | 180 | 52 | 27 | DN50 | G3/4" | G3/8" | G3/8" | |
| 2BV5121 | 142 | 113 | 66.5 | 200 | 57 | 29 | DN65 | G3/4" | G3/8" | G3/8" | |
| 2BV5131 | 142 | 113 | 66.5 | 200 | 57 | 29 | DN65 | G3/4" | G3/8" | G3/8" | |
| 2BV5161 | 156 | 130 | 80 | 250 | 81 | 41 | DN80 | G3/4" | G3/8" | G3/8" |
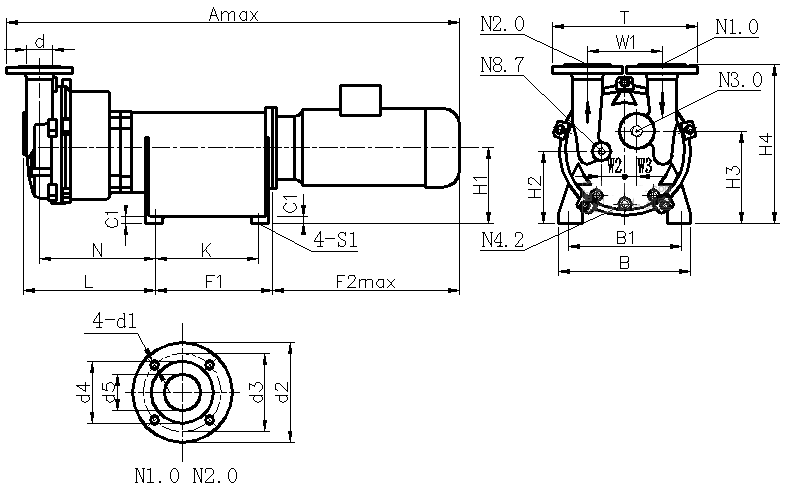
2BV6水环真空泵外形尺寸

|
N1.0 吸气口 |
N3.0 工作液接口 N4.2 排水口 |
N8.7 汽蚀保护接口 |
| 型号 | Amax | B | B1 | C1 | F1 | F2max | H1 | H2 | H3 | H4 | K | L | N | W1 |
| 2BV6110 | 1190 | 325 | 255 | 26 | 291 | 450 | 160 | 173 | 223 | 381 | 250 | 319 | 281 | 180 |
| 2BV6111 | 1237 | 325 | 279 | 26 | 360 | 470 | 180 | 196 | 242 | 401 | 320 | 365 | 327 | 180 |
| 2BV6121 | 1368 | 347 | 279 | 26 | 360 | 575 | 180 | 197 | 247 | 415 | 320 | 384 | 342 | 200 |
| 2BV6131 | 1495 | 377 | 320 | 26 | 461 | 585 | 215 | 234 | 287 | 467 | 414 | 405 | 357 | 200 |
| 2BV6161 | 1625 | 479 | 370 | 26 | 461 | 640 | 215 | 230 | 310 | 526 | 414 | 480 | 416 | 250 |
| 型号 | W2 | W3 | S1 | T | d1 | d2 | d3 | d4 | d5 | d | N3.0 | N4.2 | N8.7 | |
| 2BV6110 | 52 | 27 | φ13 | 340 | 19 | 160 | 123 | 97 | 52 | DN50 | G3/4" | G3/8" | G3/8" | |
| 2BV6111 | 52 | 27 | φ13 | 340 | 19 | 160 | 123 | 97 | 52 | DN50 | G3/4" | G3/8" | G3/8" | |
| 2BV6121 | 57 | 29 | φ13 | 381.5 | 19 | 182 | 142 | 113 | 66.5 | DN65 | G3/4" | G3/8" | G3/8" | |
| 2BV6131 | 57 | 29 | φ15 | 381.5 | 19 | 182 | 142 | 113 | 66.5 | DN65 | G3/4" | G3/8" | G3/8" | |
| 2BV6161 | 81 | 41 | φ15 | 450 | 22 | 200 | 156 | 130 | 80 | DN80 | G3/4" | G3/8" | G3/8" |