|
| |
|
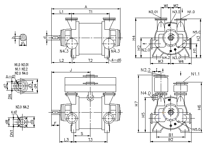
N1.0进气端法兰 N1.1连通管法兰
N2.0排气端法兰 N2.01上置排气法兰 |
|
代号 |
A |
B1 |
B2 |
b |
DN1 |
d |
d6 |
d7 |
d8 |
d9 |
F |
H1 |
H2 |
H3 |
H4 |
H5 |
H6 | |
|
2BEA 303 |
1580 |
670 |
1010 |
28 |
25 |
100 |
35 |
M12 |
68 |
85 |
165 |
335 |
475 |
910 |
935 |
825 |
1185 | |
|
2BEA 305/306 |
1690 |
670 |
1010 |
28 |
25 |
100 |
35 |
M12 |
68 |
85 |
165 |
335 |
475 |
910 |
935 |
825 |
1185 | |
|
2BEA 353 |
1745 |
800 |
1160 |
32 |
32 |
120 |
35 |
M12 |
78 |
100 |
165 |
395 |
560 |
1050 |
1080 |
930 |
1370 | |
|
2BEA 355/356 |
1885 |
800 |
1160 |
32 |
32 |
120 |
35 |
M12 |
78 |
100 |
165 |
395 |
560 |
1050 |
1080 |
930 |
1370 | |
|
代号 |
H7 |
I |
J |
L1 |
L2 |
L3 |
m |
S |
T1 |
T2 |
T3 |
W1 |
W2 |
W3 |
W4 |
N3.2 |
N4.3 | |
|
2BEA 303 |
1360 |
205 |
875 |
430 |
443 |
315 |
106 |
395 |
890 |
864 |
790 |
230 |
230 |
480 |
505 |
G1/2" |
G1/2" | |
|
2BEA 305/306 |
1360 |
205 |
930 |
430 |
443 |
315 |
106 |
450 |
1000 |
974 |
900 |
230 |
230 |
480 |
505 |
G1/2" |
G1/2" | |
|
2BEA 353 |
1570 |
245 |
955 |
430 |
455 |
335 |
127 |
455 |
1050 |
1000 |
910 |
285 |
285 |
555 |
580 |
G1/2" |
G1/2" | |
|
2BEA 355/356 |
1570 |
245 |
1025 |
430 |
455 |
335 |
127 |
525 |
1190 |
1140 |
1050 |
285 |
285 |
555 |
580 |
G1/2" |
G1/2" | |
|
代号 |
DN |
d1 |
d2 |
d3 |
d4 |
n |
代号 |
DN |
d1 |
d2 |
d3 |
d4 |
n |
|||||
|
2BEA 303 2BEA 305 2BEA 306 |
N1.0 N2.01 |
150 |
22 |
212 |
240 |
285 |
8 |
2BEA 353 2BEA 355 2BEA 356 |
N1.0 N2.01 |
200 |
22 |
268 |
295 |
340 |
8 |
|||
|
N1.1 N2.2 |
200 |
22 |
268 |
295 |
340 |
8 |
N1.1 N2.2 |
250 |
22 |
320 |
350 |
395 |
12 |
|||||
|
N2.0 |
125 |
18 |
188 |
210 |
250 |
8 |
N2.0 |
150 |
22 |
212 |
240 |
285 |
8 |
|||||
|
N4.0 |
100 |
18 |
158 |
180 |
220 |
8 |
N4.0 |
125 |
18 |
188 |
210 |
250 |
8 |
|||||