|
| |
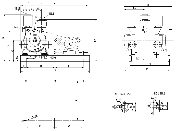
| N1.1连通管法兰 N2.2分离器法兰 N3.0工作液接口
N3.2填料函密封液接口 N4.0分离器排液口 N4.2冲洗、排液口 N4.3泄漏液排放口 N5.0自动溢流阀 |
|
代号 |
A |
B1 |
B2 |
B3 |
B4 |
B |
DN1 |
d6 |
d7 |
d8 |
d9 |
H2 |
H3 |
H4 |
H5 | |
|
2BEA 303 |
2285 |
1332 |
500 |
1560 |
705 |
1625 |
25 |
27 |
M12 |
68 |
85 |
725 |
1075 |
1610 |
1435 | |
|
2BEA 305/306 |
2285 |
1442 |
555 |
1670 |
760 |
1735 |
25 |
27 |
M12 |
68 |
85 |
725 |
1075 |
1610 |
1435 | |
|
2BEA 353 |
2600 |
1452 |
555 |
1730 |
790 |
1930 |
32 |
27 |
M12 |
78 |
100 |
900 |
1270 |
1910 |
1710 | |
|
2BEA 355/356 |
2600 |
1592 |
625 |
1870 |
860 |
2070 |
32 |
27 |
M12 |
78 |
100 |
900 |
1270 |
1910 |
1710 | |
|
代号 |
I |
K1 |
K2 |
P |
R |
S |
W1 |
W2 |
N3.2 |
N4.3 |
||||||
|
2BEA 303 |
205 |
970 |
970 |
2240 |
150 |
285 |
230 |
230 |
G1/2" |
G1/2" |
||||||
|
2BEA 305/306 |
205 |
970 |
970 |
2240 |
150 |
285 |
230 |
230 |
G1/2" |
G1/2" |
||||||
|
2BEA 353 |
245 |
1000 |
1000 |
2400 |
200 |
350 |
285 |
285 |
G1/2" |
G1/2" |
||||||
|
2BEA 355/356 |
245 |
1000 |
1000 |
2400 |
200 |
350 |
285 |
285 |
G1/2" |
G1/2" |
||||||
|
代号 |
DN |
d1 |
d2 |
d3 |
d4 |
n |
代号 |
DN |
d1 |
d2 |
d3 |
d4 |
n | |||
|
2BEA 303 2BEA 305 2BEA 306 |
N1.1 N2.2 |
200 |
22 |
268 |
295 |
340 |
8 |
2BEA 353 2BEA 355 2BEA 356 |
N1.1 N2.2 |
250 |
22 |
320 |
350 |
395 |
12 | |
|
N4.0 |
100 |
18 |
158 |
180 |
220 |
8 |
N4.0 |
125 |
18 |
188 |
210 |
250 |
8 | |||