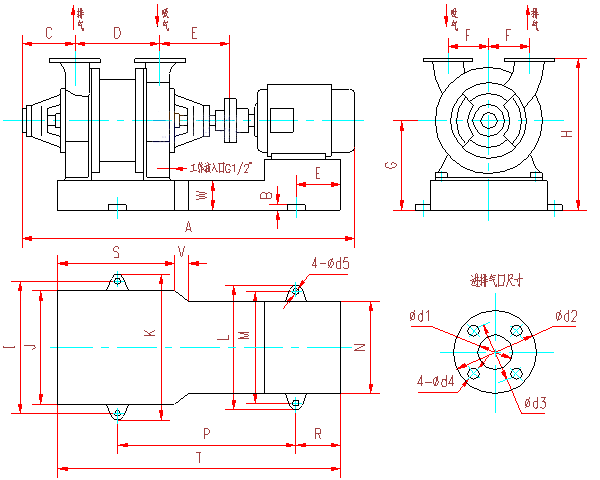
SK-1.5、SK-3水环式真空泵及压缩机外形及安装尺寸图

|
代号 |
A |
B |
C |
D |
E |
F |
G |
H |
I |
J |
K |
L |
M |
N |
|---|---|---|---|---|---|---|---|---|---|---|---|---|---|---|
|
SK-1.5 |
947 |
25 |
172 |
180 |
215 |
130 |
289 |
475 |
420 |
355 |
470 |
392 |
342 |
248 |
|
SK-3 |
1122 |
25 |
172 |
260 |
215 |
130 |
289 |
475 |
454 |
355 |
504 |
420 |
370 |
300 |
|
代号 |
P |
R |
S |
T |
W |
d1 |
d2 |
d3 |
d4 |
d5 |
Z |
V |
底脚螺栓 | |
|
SK-1.5 |
513 |
100 |
260 |
735 |
177 |
70 |
160 |
130 |
14 |
18 |
187 |
40 |
M16×400 | |
|
SK-3 |
640 |
100 |
370 |
900 |
177 |
70 |
160 |
130 |
14 |
18 |
195 |
60 |
M16×400 | |
SK-1.5、SK-3水环式真空泵及压缩机用气水分离器外形及安装尺寸
| A | B | C | D | E | F | G | H | I | J | K | L | M | N | P | R |
|---|---|---|---|---|---|---|---|---|---|---|---|---|---|---|---|
| 240 | 50 | 760 | 500 | 70 | 620 | 380 | 965 | 40 | 230 | 70 | 300 | 150 | 150 | 140 | 275 |
| Z1 | Z2 | Z3 | Z4 | Z5 | d1 | d2 | d3 | d4 | d5 | d6 | d7 | d8 | d9 | O | - |
| G3/8" | G1" | G1/2" | G1/2" | G1.5" | 14 | 160 | 65 | 130 | 90 | 12 | 65 | 15 | 14 | 45° | - |