
用途及特点:
2SK系列两级水环真空泵相当于2台SK系列水环真空泵串联使用。
因SK系列水环真空泵只能达到-700mmHg的极限真空度,为达到较高真空及高真空下的较大抽气速率,20世纪80年代国内开发了2SK系列真空泵。
随着 2BVA及2BEA系列新一代节能型产品的出现,2SK系列将逐渐被取代。
2SK-P1系列两级水环真空泵-大气喷射泵机组主要工作在绝压10~50mmHg下,但其在高真空区效率较低,如需长期运行可选用 罗茨水环真空机组,如此可获得高真空区抽气最佳效率。
主要特点:
- 比较SK系列单级水环真空泵而言,具有真空度高、在高真空区抽速大等特点
- 相同抽速率下,轴功率明显高于2BVA、2BEA系列
- 因结构为双叶轮结构,制造、维修较为复杂,易损件较多。
| 型号 | 抽气量 (米3/分) |
极限真空度 (MPa) (毫米汞柱) |
功率 (千瓦) |
泵转速 (转/分) |
供水量 (L/min) |
口径 (mm) |
泵重 (含电机) (Kg) |
建议替代 产品型号 |
||
| 最大 | 吸入压力为 -0.093MPa时 (-700mmHg) |
进 | 出 | |||||||
| 2SK-1.5 | 1.5 | 0.9 | -0.098 (-735) |
4 | 1440 | 10-15 | 40 | 40 | 200 | 2BVA5110 |
| 2SK-3 | 3 | 2 | 7.5 | 1440 | 15-20 | 40 | 40 | 260 | 2BVA5111 | |
| 2SK-6 | 6 | 4 | 15 | 1460 | 25-35 | 50 | 50 | 460 | 2BVA5131 | |
| 2SK-12 | 12 | 8 | 22 | 970 | 40-50 | 100 | 100 | 850 | 2BEA 202 | |
| 2SK-20 | 20 | 14 | 45 | 740 | 60-80 | 125 | 125 | 1550 | 2BEA252-660 | |
| 2SK-30 | 30 | 20 | 55 | 741 | 60-80 | 125 | 125 | 1800 | 2BEA 253-660 | |
2SK-P1系列两级水环真空泵-大气喷射泵机组功率与2SK系列相同,极限真空度为-750mmHg,抽气速率见性能曲线(左段)。
注:1、表中所列性能指标及性能曲线指下列规定条件下的性能指标:
① 大气压力为0.1013MPa(760mmHg)
② 进水温度15℃
③ 吸入空气温度20℃
④空气相对温度70%
2、供水量为吸入压力-0.05MPa(-400mmHg)时的数值,极限真空时可大于此值。
注:1、表中所列性能指标及性能曲线指下列规定条件下的性能指标:
① 大气压力为0.1013MPa(760mmHg)
② 进水温度15℃
③ 吸入空气温度20℃
④空气相对温度70%
2、供水量为吸入压力-0.05MPa(-400mmHg)时的数值,极限真空时可大于此值。

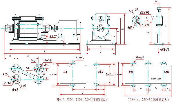
| 代号 | A | A' | B | B' | C | D | D' | E | F | G | H | I | J | K | L |
| 2SK-1.5 | 605 | / | 360 | 360 | 950 | 410 | 410 | 1150 | 422 | 485 | 270 | 30 | 125 | 214 | 162 |
| 2SK-3 | 710 | / | 400 | 400 | 1136 | 460 | 460 | 1346 | 417 | 491 | 265 | 35 | 159 | 214 | 157 |
| 2SK-6 | 863 | / | 420 | 420 | 1391 | 470 | 470 | 1623 | 500 | 608 | 315 | 30 | 218 | 234 | 183 |
| 2SK-12 | 1038 | / | 520 | 460 | 1642 | 580 | 520 | 1965 | 615 | 750 | 375 | 30 | 216 | 246 | 183 |
| 2SK-20 | 700 | 700 | 690 | / | 1972 | 750 | / | 2306 | 840 | 1004 | 500 | 30 | 306 | 283 | 225 |
| 2SK-30 | 810 | 750 | 720 | / | 2215 | 780 | / | 2715 | 840 | 1004 | 500 | 30 | 344 | 283 | 225 |
| 代号 | M | N | P | S | T | Z | n1 | n2 | d1 | d2 | d3 | d4 | d5 | d6 | d7 |
| 2SK-1.5 | 264 | 162 | 99 | 180 | 360 | G1/2" | 4 | 4 | 14 | 92 | 120 | 18 | 110 | 150 | 14 |
| 2SK-3 | 344 | 162 | 99 | 357 | 570 | G1/2" | 4 | 4 | 18 | 120 | 152 | 18 | 110 | 150 | 14 |
| 2SK-6 | 429 | 210 | 99 | 515 | 734 | G1/2" | 4 | 4 | 18 | 120 | 152 | 18 | 125 | 160 | 18 |
| 2SK-12 | 599 | 280 | 120 | 565 | 800 | G1/2" | 6 | 6 | 14 | 150 | 180 | 14 | 170 | 200 | 27 |
| 2SK-20 | 619 | 350 | 180 | 774 | 1022 | G3/4" | 8 | 8 | 18 | 200 | 235 | 18 | 200 | 235 | 27 |
| 2Sk-30 | 749 | 350 | 180 | 1016 | 1264 | G3/4" | 8 | 8 | 18 | 200 | 235 | 18 | 200 | 235 | 27 |
两级水环真空泵一级大气泵抽速曲线

该性能曲线是在吸入介质为20℃的饱和空气,工作液温度15℃,排气压力1013mba的状态下得到的。性能允许差±10%,图中左侧为配用大气喷射器的性能曲线。



