
W、WY系列往复式真空泵是获得粗真空的主要设备,使用于炼油、颜料、塑料、肥皂、食品、制糖、制药等方面的蒸发结晶、干燥过滤;建筑方面的混凝土作业;冶金工业中的真空除气及其它部门需要的低压、低温作业。
W、WY系列往复式真空泵技术规格:
| 型号 | WY-50(V5) | WY-100(W4) | WY-200(W5) | W3 | W4-A | W4-1 | W5-1 | W-300 | |
| 抽气速率(m3/h) | 200 | 370 | 770 | 200 | 370 | 370 | 770 | 1080 | |
| 极限压力(Pa) | 1300 | 1300 | 1300 | 2600 | 2600 | 2600 | 2600 | 2600 | |
| 转速(r.p.m) | 300 | 200 | 200 | 300 | 200 | 530 | 430 | 300 | |
| 配用电机(Kw) | 5.5 | 11 | 22 | 5.5 | 11 | 11 | 22 | 30 | |
| 汽缸直径x行程 (mm) |
250x150 | 350x200 | 455x250 | 250x150 | 350x200 | 250x150 | 350x200 | 450x200 | |
| 气管直径
(mm) |
进 | 2" | 4" | 5" | 2" | 4" | 4" | 5" | 175mm |
| 出 | 2" | 4" | 5" | 2" | 4" | 4" | 5" | 175mm | |
| 水管直径
(mm) |
进 | 1/2" | 3/4" | 3/4" | 1/2" | 3/4" | 1/2" | 3/4" | 3/4" |
| 出 | 1/2" | 3/4" | 3/4" | 1/2" | 3/4" | 1/2" | 3/4" | 3/4" | |
| 体积 | 长 | 1435 | 1819 | 2357 | 1418 | 1819 | 1486 | 1805 | 1980 |
| 宽 | 624 | 876 | 1010 | 630 | 876 | 520 | 670 | 745 | |
| 高 | 710 | 900 | 1162 | 650 | 900 | 720 | 860 | 980 | |
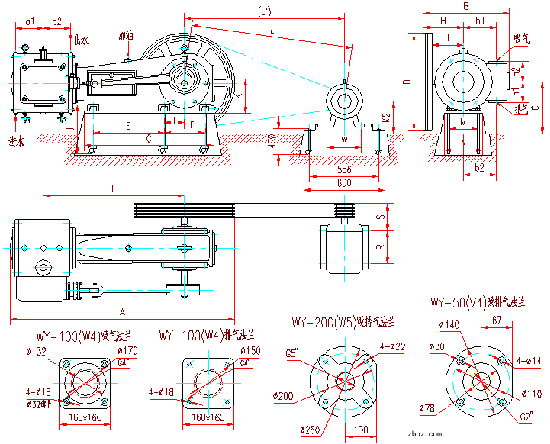
W3往复式真空泵安装尺寸图:

WY-50(V5)、WY-100(W4)、WY-200(W5)往复式真空泵安装尺寸图:

W4-1、W5-1往复式真空泵安装尺寸图:
| 代号 | A | B | C | D | E | F | G | H | I | J | K | L | L' | l | 三角带型号v5 |
| WY-50(v5) | 1435 | 624 | 375 | 707 | 430 | 260 | 815 | 282 | 198 | 400 | 186 | 808 | 787 | 882 | B型 L=2997 |
| WY-100(w4) | 1819 | 876 | 500 | 892 | 520 | 330 | 1031 | 481 | 356 | 630 | 220 | 1388 | 1359 | 1102 | B型 L=4500 |
| WY-200(w5) | 2357 | 1010 | 680 | 1162 | 655 | 400 | 1256 | 418 | 254 | 630 | 260 | 1360 | 1293 | 1397 | C型 L=5000 |
| W3 | 1418 | 630 | 400 | 640 | 430 | 260 | 815 | 283 | 115 | 400 | 186 | 910 | 886 | 882 | B型 L=3048 |
| W4-1 | 1486 | 520 | 400 | 537 | 430 | 260 | 815 | 300 | 150 | 400 | 186 | 956 | 939 | 832 | C型 L=3023 |
| W5-1 | 1805 | 670 | 500 | 542 | 520 | 330 | 1035 | 383 | 213 | 630 | 220 | 935 | 904 | 1026 | C型 L=3048 |
| 代号 | M | N | T | W | R | S | a1 | a2 | b1 | b2 | h1 | h2 | k2 | 泵地脚螺栓 | 导轨地脚螺栓 |
| WY-50(v5) | 200 | 260 | 130 | 216 | 140 | 179 | 171 | 171 | 115 | 241 | 154 | 202 | 192 | M16×400 | M16×400 |
| WY-100(w4) | 260 | 326 | 165 | 254 | 254 | 243 | 216 | 216 | 140 | 337 | 244 | 272 | 220 | M20×630 | M16×400 |
| WY-200(w5) | 290 | 370 | 200 | 318 | 305 | 307 | 300 | 300 | 430 | 430 | 299 | 299 | 260 | M24×630 | M16×400 |
| W3 | 200 | 260 | 130 | 216 | 140 | 179 | 171 | 171 | 115 | 241 | 154 | 202 | 192 | M16×400 | M16×400 |
| W4-1 | 200 | 260 | 130 | 256 | 210 | 229 | 171 | 121 | a3:50 | 260 | 260 | 220 | M16×400 | M16×400 | |
| W5-1 | 260 | 326 | 165 | 318 | 305 | 307 | 230 | 147 | a3:83 | 325 | 325 | 260 | M20×630 | M16×400 | |



